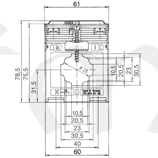
| Typ proudového transformátoru | ASK 31.4 |
| Primární proud trafa | 200 A |
| Jedna pásovina | 30x10 mm |
| Sekundární proud | 5 A |
| Způsob přípoje, průměr nebo pás | 28 mm |
| Třída přesnosti trafa | 1 % |
| Dvě pásoviny | 2x20x10 mm |
| Výkon | 7,5 VA |
| Nadproudové číslo | 5 |
| Kód výrobce | 8161 |
| Hmotnost trafa | 0,35 kg |
| Odkazy | Popis parametrů měřících transformátorů prouduNadproudové křivky chyb nízkonapěťových měřících transformátorů proudu a schéma zapojení |
| Ke stažení: |
Trafa_EXIMUS_MBS.pdf Spotreba_vedeni_k_trafu.pdf |
Id: 2356,